
Product name |
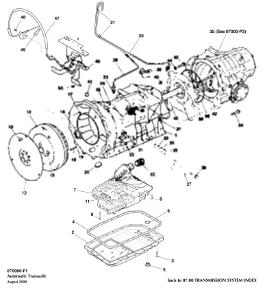
Front Differential Diff For Aston Martin DBX V8 DBX707 2021 2025 Disassembled Used Car Part Transfer Case Gearbox MY83SE4200BA |
MOQ |
1 Set |
Shipment Terms |
By Air/by sea/by land/by express |
Delivery |
Stock products can be shipped once payment done; Nonstock products 7-15 days after payment |
Payment terms |
Via TT,Western Union, Alibaba online. Accept full payment in advance or 30% deposit and 70% balance before shipment. |
After-sales Policy |
Any products related with shangjia factory production quality will offer after-sales support |
Package |
All products with carton and wood packing |
OEM service |
speciallized in OEM,ODM order based on clients' requirment |






Front Bumper Suitable For Ferrari F8 985983438 Spider High Quality Original Used Plastic Car Front Bumper Not Repair Product
For Aston Martin DB11 Vantage Coupe Volante Front Fender Inner Lining Nylon Fleece Composite Auto Parts HY53166563AC HY5316657AD
Hot Sale Vehicle Parts Aluminum Alloy Front Bumper Beam Crash Bar Suitable For Mclaren 540C 13AA046CP Front Crash crossbeam
Original Plastic Front Bumper Spoiler For Aston Martin Vantage S 4.7 08-17 AD23-17D957-AF AD23-17626-AB Car Front Bumper Cover